“一雷惊蛰始。”春雷炸响,万物复苏。蛰伏冬眠的蝎子,悄然出洞,这一幕,或许自四亿年前开始便在陆地上循环上演。蝎子是地球上第一批从海洋走向陆地的节肢动物,但因为化石的稀缺,其演化故事鲜为人知。
从海到陆,为啥这种蝎子化石这么少?
被称为“海蝎子”的远古生物是板足鲎(hou音同“后”)类(Eurypterida),并不是真正的蝎子,它们在形态上与蝎子十分相似,但亲缘关系较远,与早期蝎子的祖先共同生活在海洋中。
目前已知最古老的蝎子化石发现于距今约4.6亿年前的志留纪地层中,这些早期蝎子完全生活于水中,依赖书鳃进行呼吸,与今天的鲎类相似。然而,在加拿大志留纪中期地层中发现的布鲁斯埃拉默蝎(Eramoscorpius brucensis),却为蝎类登陆的关键过渡环节提供了重要线索——它们的步足进化出短跗节,这种结构更适应陆地行走,暗示其可能已具备短暂离水活动的能力,被认为是连接水生蝎类与陆生蝎类的过渡类型。
随着蝎类逐渐适应陆地生活,它们的呼吸器官也从书鳃演化为书肺,并发展出气孔和腹板等陆地适应性特征。石炭纪早期的陆生蝎化石记录相对丰富,例如美国宾夕法尼亚州发现的古后棘蝎属(Palaeopisthacanthus)与秀蝎属(Compsoscorpius),均展现出典型的陆生形态结构。然而,进入中生代和新生代后,蝎子的化石记录却变得极为稀少。此时期的陆生蝎化石大多以琥珀包裹的微小个体(仅几毫米至一两厘米)形式保存,而传统岩石地层中几乎难觅其踪,这可能与它们栖息环境(如森林地表)的化石形成条件有关。

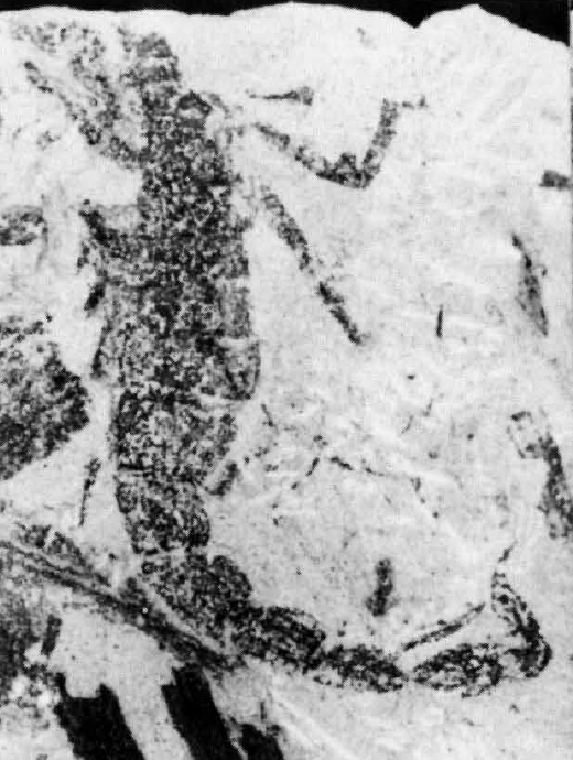
布鲁斯埃拉默蝎 (左、Waddington et al., 2015)和琥珀中的寇里杀牛蝎(右、Xuan et al., 2025)
但是,登陆后的蝎子,踪迹就难以捉摸了。迄今为止,中国仅仅发现了四块陆生蝎化石。为什么蝎化石如此稀少?因为蝎化石有“三难:——“发现难、保存难、鉴定难”。
发现难:从生物特性来看,蝎子的生物量不是很多,咱们平常想要看到蝎子也不是什么容易的事情,而且小型陆生蝎子化石很容易被忽视。
保存难:从埋藏学条件来看,蝎子栖息的环境多是干燥的地带或是水体的边缘,导致它们的尸体容易被风化或侵蚀,恰恰构成了化石保存的"死亡陷阱"。只能通过火山灰的快速覆盖(如意大利“庞贝古城”)、泥岩的快速掩埋等特殊的地质事件才能保存其精细的结构。
鉴定难:从研究手段上来看,由于蝎子形态特征复杂,即便蝎化石保存下来了,化石常因保存不全难以归类,让蝎类常被视为研究的“配角”。
中国陆生蝎化石的四块“拼图”
以上“三难”造成了蝎化石的稀少,因此,科学家发现的每一块蝎化石都弥足珍贵。现在我们就来看看中国古生物学家们发现并研究的这四块蝎化石,看他们是怎么填补中国蝎化石的空白。
体型最大的蝎化石——白垩纪(距今1.25亿年)的“龙城热河蝎”
近日,中国科学家发现了龙城热河蝎的化石,这也是迄今体型最大的一块陆生蝎化石。
2025年,中国科学院南京地质古生物研究所博士研究生宣强、研究员黄迪颖、蔡晨阳与中国地质大学(武汉)黄元耕副研究员合作报道了一只1.25亿年前的蝎子化石。因其发现于热河生物群,且被保存于龙城,故被命名为“龙城热河蝎”。
龙城热河蝎的标本保存了纤细的须肢、修长的足部、五边形的胸板,以及标志性的毒刺尾针。科研人员根据这些特征将它归类于杀牛蝎小目(Buthida),但因其缺少毛序和螯肢细节,暂时无法确定它的具体科属。

龙城热河蝎化石(现保存于辽宁省朝阳市化石谷博物馆)
它特别之处,是其“超标”的体型——接近10厘米的体长,这远超其他中生代蝎类,甚至接近现代某些热带蝎子的尺寸。因此,科学家推测它可能是白垩纪生态系统的“全能型选手”——既是捕食者,也是猎物。它的菜单可能包括昆虫、蜘蛛,甚至小型脊椎动物的幼体;而它自己也可能成为早期鸟类、哺乳动物或恐龙的盘中餐。

龙城热河蝎复原图(图片来源:孙捷绘制)
这种“双向捕食”的特性,让它成为生态网络中不可或缺的“中间节点”,科研人员称之为“介数中心性”。这种枢纽地位,说明它或许有助于热河生物群内的整个生态网络的稳定性,如果龙城热河蝎灭绝,可能会引发多米诺骨牌般的连锁反应。
热河生物群被誉为“20世纪全球最重要的古生物发现之一”,因发现多种特异埋藏化石而闻名于世,包括带羽毛的恐龙、早期鸟类、多样化的哺乳动物、翼龙、节肢动物、植物化石等。长期以来,热河生物群的节肢动物研究以昆虫和甲壳类为主,蝎子却始终缺席。龙城热河蝎的发现,填补了这一空白,这也是中国中生代的第一块蝎化石。
已经适应陆地生活的蝎化石——二叠纪(距今约2.98亿年前)的“始蝎”
2020年,中国科学院南京地质古生物研究所博士研究生雷晓洁、助理研究员周卫明、副研究员万明礼等科研人员在内蒙古乌达地区“植物庞贝城”发现了一块二叠纪的蝎化石,并归为始蝎属未定种(Eoscorpius sp.)。

始蝎化石:部分前腹部、后腹部及步足(图片来源:雷晓洁提供)
该标本保存较为完整,头胸甲前中部有一隆起的水滴形中眼丘,螯肢大,触肢长而相对粗壮,掌宽且短,指长;第二对步足保存有胫节距。后腹部体节的长和宽均依次减少。尾节毒囊呈灯泡状,蛰针粗壮,长且弯曲。身体表面有许多丘状小颗粒装饰,表皮上较为精细的结构等都清晰可见,其形态特征介于板足鲎和现代蝎子之间。因此,科研人员推测,三亿年前,蝎子就有毒。
标本保存于凝灰岩层中部表明始蝎生活在早二叠世的沼泽森林,可能是树栖捕食者,以昆虫和小型节肢动物为食,表明在那时此类蝎子可能就已经适应了陆生生活。
作为生态系统中的食肉捕食者,该蝎子化石的发现,可证明当时的沼泽森林中已有较为丰富的动物量。是研究蝎子从水生到陆生演化过程的关键环节。它的发现,为揭示蝎子的起源和早期演化历史提供了重要证据。
最早的陆生蝎化石:泥盆纪(约4.19亿年前)的“纤跗湖北蝎”
1990年,在湖北省武汉市汉阳区(曾经汉阳县),来自古生物学家们发现属于泥盆纪的蝎化石,被命名为“纤跗湖北蝎”(Hubeiscorpio gracilitarsis)。
纤跗湖北蝎体型较小,体长仅约2厘米,拥有原始的外骨骼结构,附肢纤细,形态特征已经与现代蝎子非常接近。
这是迄今为止中国发现的最早的陆生蝎化石,它的发现将中国蝎化石的记录提前了约2亿年,为研究蝎子的早期演化提供了珍贵的材料,也为节肢动物早期陆地适应提供了重要证据。

“纤跗湖北蝎”化石(图片来源:Walossek et al., 1990)
最早发现的蝎化石:中新世(约2300万年前)的“山东中华蝎”
1983年,在山东山旺化石群,中国古生物学家们发现了一块保存完好的中新世蝎化石,被命名为“山东中华蝎”(Sinoscorpius shandongensis)。
这块蝎化石的虫体长大于42毫米,宽10.5毫米,与现代蝎子十分相似,说明那时山东山旺可能是一个温带森林环境。
它的发现,填补了中国蝎化石的空白,为了解这一时期蝎子的演化提供了重要线索,也揭示了蝎子形态的长期稳定性。

“山东中华蝎”化石(图片来源:Hong, 1983)
结语
从泥盆纪到二叠纪到白垩纪再到中新世,蝎子见证了沧海变桑田,也目睹了恐龙崛起与灭绝,亲历了五次生物大灭绝。在数亿年的演化历史中,蝎子的外部形态一直处于保守状态,始终以毒针为剑,其类似的身体分节以及毒腺结构使其有着“活化石”的称号。
随着科研水平的提高,技术手段的进步,古生物学家正在努力的一步步地让更多“沉睡”于岩层中的蝎化石苏醒,绘制它的生命之树,去探索它们从海洋到陆地的生态转型,去研究地球气候与生物群落的协同演化。
参考文献:
[1] Hong Y. Discovery of a Miocene scorpion from the diatoms of Shanwang in Shandong Province. Bulletin of the Tianjin Institute of Geology and Mineral Resources. 1983; 8: 17–21 [In Chinese].
[2] Walossek D, Li C, Brauckmann C. A scorpion from the Upper Devonian of Hubei Province, China (Arachnida, Scorpiones). Neues Jahrbuch Fur Geologie Und Palaontologie-Monatshefte. 1990; 3: 169–180.
[3] Lei X, Zhou W, Wan M, et al. A new scorpion from a Permian peat swamp in Inner Mongolia, China. Proceedings of the Geologists' Association. 2020; 131: 160–167.
[4] Wang, H., Braddy, S., Botting, J, et al. The first documentation of an Ordovician eurypterid (Chelicerata) from China. Journal of Paleontology. 2023; 97(3): 606-611.
[5] Xuan, Q., Cai, C., Huang, Y., & Huang, D. First Mesozoic scorpion from China and its ecological implications. Science bulletin. 2025.
来源:科学大院
作者:盛捷 黄迪颖 宣强
附件下载: